توضیحات
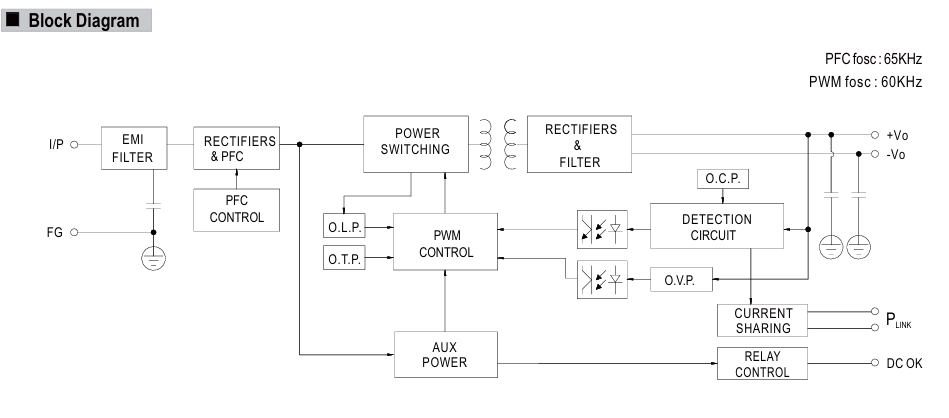
منبع تغذیه XDR-960E-24 از برند مینول (MEAN WELL)، یک پاور سوئیچینگ ریلی باریک (Slim DIN Rail) و اقتصادی با توان 960 وات و خروجی 24 ولت DC (قابل تنظیم در بازه 24 تا 29 ولت) – جریان نامی 40 آمپر است.
این مدل با طراحی فشرده و بدنهی مقاوم فلزی (عرض تنها 96 میلیمتر) برای نصب روی ریل DIN طراحی شده و در پروژههای صنعتی با نیاز به توان بالا و محدودیت فضا عملکردی کاملاً بهینه دارد.
راندمان دستگاه تا 94.5% میرسد و طراحی بدون فن آن، همراه با گستره دمای کاری وسیع از °C-40 تا °C+70، موجب افزایش طول عمر قطعات و عملکرد پایدار در محیطهای سخت صنعتی میشود.
ورودی یونیورسال 180~264 ولت AC یا 254~370 ولت DC، امکان استفاده مستقیم در شبکههای برق 220 ولت را بدون نیاز به تنظیم خاصی فراهم میسازد.
یکی از قابلیتهای کلیدی این مدل، سیگنال DC-OK بهصورت کنتاکت رلهای (30VDC/1A یا 30VAC/0.5A) است که وضعیت سلامت ولتاژ خروجی را به سیستمهای کنترلی یا PLC ارسال میکند. در صورت افت یا قطع ولتاژ خروجی، رله تغییر وضعیت داده و هشدار لازم را به مدار کنترل مخابره میکند؛ قابلیتی بسیار مهم در تابلوهای برق و سامانههای اتوماسیون صنعتی.
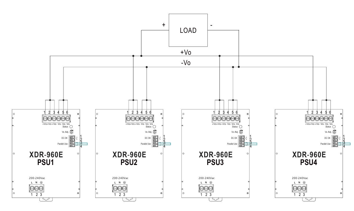
از ویژگیهای پیشرفتهی این مدل میتوان به قابلیت موازیسازی تا 4 واحد (در حالت Droop Mode) اشاره کرد.
این قابلیت امکان افزایش توان خروجی کلی تا حدود 3840 وات (3+1) را فراهم میکند که معادل 24 ولت 144 آمپر است.
در حالت موازی، ماژولها جریان خروجی را بهصورت هوشمند بین خود تقسیم میکنند (Current Sharing) تا بار به شکل یکنواخت توزیع شود و از اضافهبار شدن یک واحد جلوگیری گردد.
در صورت افزایش دمای یک ماژول یا بروز خطا در یکی از واحدها، سایر منابع بدون وقفه به کار خود ادامه میدهند و پایداری سیستم تأمین توان حفظ میشود.
برای فعالسازی این عملکرد، پینهای P-Link بین واحدها متصل میشوند و خروجیها باید با سیمهای کوتاه و سطح مقطع بالا بهصورت مشترک به بار متصل گردند.
در بارهای کمتر از ۷٪ ظرفیت کل، تنها یک ماژول (Master) فعال مانده و بقیه در حالت Standby قرار میگیرند تا بازده کل سیستم افزایش یابد.
از دیگر ویژگیهای مهم این منبع تغذیه میتوان به موارد زیر اشاره کرد:
حفاظت کامل در برابر اتصال کوتاه، اضافه ولتاژ، اضافه بار و افزایش دما | توان استندبای کمتر از 3.6 وات | ضریب توان بالا (PF>0.95@230Vac) | طراحی با استاندارد OVC III | قابلیت نصب روی ریل TS35/7.5 یا TS35/15
میانگین عمر مفید (MTBF) این مدل بیش از 1.48 میلیون ساعت بر اساس استاندارد Telcordia SR-332 است.
مطابق با مجموعهی گستردهای از استانداردهای بینالمللی شامل:
UL61010، IEC/EN62368-1، IEC/EN61558-1/-2-16، CB، CE، UKCA، EAC، RCM، BIS، BSMI، CCC
بهعنوان عضوی از خانوادهی جدید XDR-E Series، این مدل نسبت به نسلهای پیشین مانند SDR، NDR و EDR، از راندمان بالاتر، ابعاد کوچکتر، عملکرد پایدارتر و مصرف انرژی پایینتر برخوردار است؛ بنابراین گزینهای ایدهآل برای اتوماسیون صنعتی، تجهیزات کنترلی، سیستمهای UPS و زیرساختهای شبکه محسوب میشود.
ویژگیهای منبع تغذیه ریلی XDR-960E-24
- توان نامی: 960 وات
- خروجی: 24 ولت DC – جریان نامی 40 آمپر (قابل تنظیم در بازه 24~29 ولت)
- حداکثر راندمان: تا 94.5%
- ابعاد باریک: 96 × 125.2 × 132 میلیمتر (طراحی Slim DIN Rail با بدنه فلزی مقاوم)
- ورودی یونیورسال: 180~264VAC یا 254~370VDC (قابل استفاده مستقیم در برق 220 ولت صنعتی)
- دمای کاری وسیع: ℃40- تا ℃70+ (با کاهش توان در دماهای بالا طبق منحنی Derating)
- خنکسازی بدون فن: تنها از طریق جریان همرفتی (افزایش طول عمر و عملکرد پایدار در محیطهای صنعتی)
- سیگنال DC OK: کنتاکت رلهای 30VDC/1A یا 30VAC/0.5A برای مانیتورینگ وضعیت خروجی
- مصرف توان در حالت آمادهبهکار: کمتر از 3.6 وات
- قابلیت کار موازی: تا 4 واحد (در حالت Droop Mode) با اشتراک جریان خودکار (Current Sharing)
افزایش توان خروجی کلی تا حدود 3840 وات (3+1) معادل 24 ولت 144 آمپر
در بار کمتر از 7٪ ظرفیت، تنها یک واحد (Master) فعال بوده و سایر ماژولها در حالت Standby قرار میگیرند. - حفاظتهای کامل:
اتصال کوتاه / اضافهبار (محدودسازی جریان ثابت، بازیابی خودکار) / اضافهولتاژ (Shut down و نیاز به ریاستارت) / افزایش دما (خاموشی خودکار تا بازگشت دما به محدوده نرمال) - استاندارد ایمنی OVC III: مقاوم در برابر نوسانات ولتاژ و مناسب برای کاربرد در تابلوهای برق، خطوط تولید و سیستمهای اتوماسیون صنعتی
- عملکرد پایدار در ارتفاع: تا 5000 متر بالاتر از سطح دریا
- استانداردها و تأییدیهها:
UL61010 / IEC62368-1 / IEC61558-1/-2-16 / CB / CE / UKCA / EAC / RCM / BIS / BSMI / CCC - میانگین عمر مفید (MTBF): بیش از 1.48 میلیون ساعت بر اساس استاندارد Telcordia SR-332
- مدت گارانتی: 3 سال گارانتی و 10 سال خدمات پس از فروش (تحت پشتیبانی مینول ایران)
حفاظتها
اتصال کوتاه (Short Circuit Protection):
در صورت بروز اتصال کوتاه در خروجی، منبع تغذیه وارد حالت محدودسازی جریان ثابت (Constant Current Limiting) همراه با عملکرد Hiccup Mode میشود تا از آسیب به مدار جلوگیری کند. پس از رفع خطا، دستگاه بهصورت خودکار به حالت عادی بازمیگردد.
اضافهبار (Over Load Protection):
در صورتی که بار خروجی از مقدار نامی تجاوز کند، عملکرد دستگاه دو مرحلهای است:
-
در محدودهی ۳۰٪ تا ۱۰۰٪ ولتاژ نامی خروجی، مدار در حالت محدودسازی جریان ثابت (Constant Current Limiting) باقی میماند. در این وضعیت، دستگاه خاموش نمیشود و جریان را در حد مجاز حفظ میکند تا از آسیب جلوگیری شود.
-
اگر ولتاژ خروجی کمتر از ۳۰٪ مقدار نامی سقوط کند، منبع تغذیه برای محافظت از خود وارد حالت Hiccup Mode شده و پس از رفع شرایط خطا، بهصورت خودکار بازیابی میشود.
افزایش ولتاژ خروجی (Over Voltage Protection):
در صورتی که ولتاژ خروجی از حدود 30 تا 34 ولت DC فراتر رود، منبع تغذیه بهصورت خودکار وارد حالت Shut Down میشود تا از تجهیزات متصل محافظت گردد. برای بازگشت به حالت عادی، لازم است برق ورودی یکبار قطع و وصل شود.
افزایش دما (Over Temperature Protection):
در شرایطی که دمای داخلی دستگاه از حد مجاز فراتر رود، مدار حفاظتی O.T.P فعال شده و خروجی بهصورت ایمن قطع میشود. پس از بازگشت دما به محدوده نرمال، عملکرد دستگاه بهطور خودکار بازیابی میگردد.
افزایش یا نوسان ناگهانی جریان هجومی (Inrush Current Protection):
در لحظهی روشن شدن، جریان هجومی ورودی محدود میشود تا از آسیب به قطعات و فیوز جلوگیری گردد. حداکثر جریان هجومی در شرایط 230VAC حدود 30 آمپر است.
نشتی جریان (Leakage Current):
جریان نشتی دستگاه کمتر از 1mA در 240VAC است که ایمنی کامل برای تجهیزات متصل و اپراتور را تضمین میکند.
قابلیتها
در این بخش به توضیحات مختصر ویژگیهای منبع تغذیه XDR-960E-24 از برند مینول (MEAN WELL) میپردازیم.
تصحیح ولتاژ (Voltage Adjustment)
• این مدل امکان تنظیم ولتاژ خروجی در بازه 24 تا 29 ولت DC را از طریق پتانسیومتر جلوی دستگاه فراهم میکند.
• کاربر میتواند با این قابلیت، افت ولتاژ روی مسیر انتقال یا باسبار را جبران کرده و ولتاژ دقیق موردنیاز بار را تنظیم کند.
قابلیت جبران افت ولتاژ در بارهای طولانی و تنظیم ولتاژ دقیق خروجی
سیگنال اعلام وضعیت خروجی (DC OK Signal)
• منبع تغذیه XDR-960E-24 مجهز به سیگنال DC OK از نوع کنتاکت رلهای است.
• در حالت عادی (ولتاژ خروجی پایدار) کنتاکت در وضعیت ON قرار دارد و در صورت افت یا قطع ولتاژ خروجی، به وضعیت OFF تغییر میکند.
• مشخصات کنتاکت: 30VDC / 1A یا 30VAC / 0.5A (بار مقاومتی).
• این سیگنال برای مانیتورینگ مستقیم سلامت ولتاژ در سیستمهای کنترلی یا PLC استفاده میشود.
سیگنال هشدار DC OK با امکان پایش بلادرنگ در سیستمهای صنعتی
قابلیت کار موازی (Parallel Operation)
• این مدل قابلیت اتصال تا 4 واحد (3+1) بهصورت موازی را داراست.
• عملکرد موازی در حالت Droop Mode و Current Sharing انجام میشود تا جریان خروجی بین واحدها بهصورت هوشمند تقسیم گردد.
• در این حالت، توان کل سیستم میتواند تا حدود 3840 وات افزایش یابد (معادل 24 ولت 144 آمپر).
شمای کلی عملکرد:
-
حداکثر 4 واحد میتوانند در حالت Droop Mode به صورت خودکار اشتراک جریان برقرار کنند.
-
برای دقت بالاتر در تقسیم جریان، باید پینهای P-Link میان واحدها متصل شوند.
-
سیمکشی خروجی باید کوتاه، ضخیم و با مقاومت بسیار پایین باشد تا افت ولتاژ و اختلاف جریان به حداقل برسد.
-
حداقل بار کل سیستم باید بیش از 7٪ جریان نامی کل باشد تا همهی واحدها در مدار فعال بمانند.
-
در بار کمتر از 7٪، فقط یک واحد (Master) فعال میماند و سایر واحدها به حالت Standby میروند تا بازده کلی افزایش یابد.
فرمول محاسبه جریان کل طبق دیتاشیت:
Total Current ≈ Rated Current per Unit × Number of Units × 0.9
نمونه محاسبه:
40A×4×0.9≈144A
الزامات نصب و اجرای حالت موازی
• ولتاژ خروجی هر واحد باید پیش از اتصال موازی با دقت تنظیم شود (اختلاف کمتر از 0.1 ولت).
• پینهای P-Link باید محلی (کوتاه) و طبق نقشه دیتاشیت متصل گردند.
• خروجیهای +Vo و –Vo تمام واحدها به باسبار مشترک وصل شوند؛ استفاده از باسبار مسی و کابل ضخیم توصیه میشود.
• برای افزایش ایمنی، هر خروجی قبل از اتصال به باسبار باید از طریق فیوز یا بریکر مجزا عبور کند تا در صورت بروز خطا، تنها واحد معیوب از مدار خارج شود.
• اتصال زمین حفاظتی (FG) الزامی است؛ این کار نویز و نوسانات را کاهش میدهد.
راندمان بالا و خنکسازی بدون فن
• طراحی دستگاه کاملاً Fanless بوده و از جریان همرفتی هوا برای خنکسازی استفاده میکند.
• بهدلیل حذف فن، نویز صوتی وجود ندارد و طول عمر قطعات افزایش یافته است.
• راندمان تا 94.5٪ بوده و عملکرد پایدار در محدوده دمایی °C-40 تا °C+70 تضمین شده است.
طراحی بیصدا با بازده بالا و دوام طولانی
حفاظتهای هوشمند (Smart Protections)
• اتصال کوتاه: محدودسازی جریان ثابت + Hiccup Mode با بازیابی خودکار
• اضافهبار: 105 ~ 130٪ (در 230 VAC)
• افزایش ولتاژ خروجی: 34 ~ 30 V → خاموشی ایمن (Shut Down)
• افزایش دما: خاموشی حرارتی (OTP) با بازیابی خودکار
• جریان هجومی: حداکثر 30 A در 230 VAC
• نشتی جریان: کمتر از 1 mA در 240 VAC
سیستم حفاظت چندمرحلهای برای عملکرد مطمئن در شرایط بحرانی
مصرف توان پایین در حالت آمادهبهکار
• مصرف توان در حالت بیباری کمتر از 2.7 وات است.
• این ویژگی باعث افزایش بهرهوری انرژی و کاهش مصرف در سیستمهای آمادهبهکار میشود.
استانداردها و کیفیت ساخت
• دارای گواهیها و استانداردهای بینالمللی:
UL61010 / IEC62368-1 / IEC61558-1/-2-16 / CB / CE / UKCA / EAC / RCM / BIS / BSMI / CCC
• رده ایمنی OVC III برای مقاومت در برابر نوسانات شدید ولتاژ
• عملکرد پایدار در ارتفاع تا 5000 متر از سطح دریا
گارانتی و خدمات
منبع تغذیه XDR-960E-24 با سه سال گارانتی رسمی و ده سال خدمات پس از فروش تحت پشتیبانی مینول ایران (Mean Well Iran) عرضه میشود.
دانلود فایلهای مربوط به منبع تغذیه XDR-960E-24
| سری XDR-960E-24 | دانلود |
| مشخصات فنی XDR-960E | ![]() |
| گزارش فنی XDR-960E-24 | ![]() |
| دفترچه راهنما | ![]() |
جدول کامل محصول سری های XDR-480E
| خروجی مطلوب | لینک مشاهده |
| 24 ولت / 40 آمپر | XDR-960E-24 |
| 36 ولت / 26.6 آمپر | XDR-960E-36 |
| 48 ولت / 20 آمپر | XDR-960E-48 |
برای آشنایی بیشتر با نسل جدید منابع تغذیه ریلی مینول و بررسی مشخصات کامل خانواده XDR-E، میتوانید خبر معرفی این محصول را در وبسایت مینول ایران مطالعه کنید:
مشاهده خبر معرفی خانواده XDR-E در وبسایت مینول ایران








نقد و بررسیها
هنوز بررسیای ثبت نشده است.