توضیحات
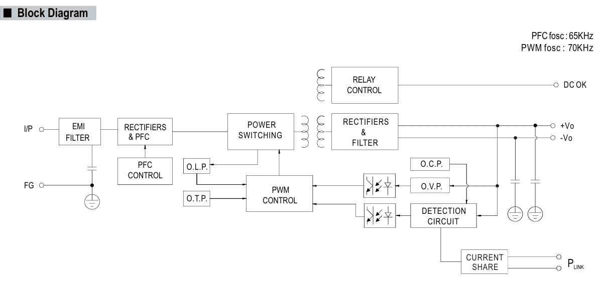
منبع تغذیه XDR-480E-36 از برند مینول (MEAN WELL)، یک پاور سوئیچینگ ریلی باریک (Slim DIN Rail) و اقتصادی با توان 480 وات و خروجی 36 ولت DC (قابل تنظیم در بازه 36 تا 42 ولت) – جریان نامی 13.3 آمپر است.
این مدل با طراحی فوقفشرده (عرض تنها 48 میلیمتر) فضای کمی را در تابلو برق اشغال میکند و برای پروژههای صنعتی با محدودیت فضا بسیار مناسب است.
راندمان دستگاه تا 95.5% میرسد و طراحی بدون فن آن همراه با گستره دمای کاری وسیع از °C-40 تا °C+70، طول عمر بالا و عملکرد مطمئن در محیطهای صنعتی را تضمین میکند.
ورودی یونیورسال 85~264 ولت AC یا 120~370 ولت DC، امکان استفاده مستقیم در شبکههای برق 110 و 220 ولت را بدون نیاز به تنظیم خاصی فراهم میسازد.
یکی از قابلیتهای کلیدی این مدل، سیگنال DC-OK بهصورت کنتاکت رلهای (30VDC/1A یا 30VAC/0.5A) است که برای پایش وضعیت خروجی به سیستمهای کنترلی یا PLC متصل میشود. در صورت افت یا قطع ولتاژ خروجی، رله تغییر وضعیت داده و هشدار لازم به مدار کنترل ارسال میشود؛ ویژگیای حیاتی برای تابلوهای برق و سیستمهای اتوماسیون.
از ویژگیهای پیشرفتهی این مدل میتوان به قابلیت موازیسازی تا 4 واحد (در حالت Droop Mode) اشاره کرد.
این قابلیت امکان افزایش توان خروجی کلی تا حدود 1440 وات (3+1) را فراهم میکند که معادل 36 ولت 47 آمپر میباشد. در حالت موازی، ماژولها بهطور هوشمند جریان خروجی را بین خود تقسیم میکنند (Current Sharing) تا بار به شکل یکنواخت توزیع شود و از اضافهبار شدن یک واحد جلوگیری گردد.
همچنین در این حالت، در صورت افزایش دمای یک ماژول یا بروز خطا در یکی از واحدها، سایر منابع به کار خود ادامه میدهند و پایداری سیستم تأمین توان حفظ میشود.
برای فعالسازی این عملکرد، پینهای P-Link بین واحدها متصل میشوند و خروجیها باید با سیمهای کوتاه و سطح مقطع بالا بهصورت مشترک به بار متصل گردند.
در بارهای کمتر از ۷٪ ظرفیت کل، تنها یک ماژول (Master) فعال مانده و بقیه در حالت آمادهبهکار (Standby) قرار میگیرند تا بازده سیستم حفظ شود.
از دیگر ویژگیهای مهم این منبع تغذیه میتوان به موارد زیر اشاره کرد:
حفاظت کامل در برابر اتصال کوتاه، اضافه ولتاژ، اضافه بار و افزایش دما | توان استندبای کمتر از 1.2 وات | ضریب توان بالا (PF>0.95@230Vac) | دارای استاندارد ایمنی OVC III | قابلیت نصب روی ریل DIN نوع TS35/7.5 یا TS35/15
میانگین عمر مفید (MTBF) این مدل بیش از 1.48 میلیون ساعت بر اساس استاندارد Telcordia SR-332 است.
مطابق با مجموعه گستردهای از استانداردهای بینالمللی شامل:
UL61010، IEC/EN62368-1، IEC/EN61558-1/-2-16، CB، CE، UKCA، EAC، RCM، BIS، BSMI، CCC
بهعنوان عضوی از خانوادهی جدید XDR-E Series، این مدل نسبت به نسلهای پیشین مانند SDR، NDR و EDR راندمان بالاتر، ابعاد کوچکتر و مصرف انرژی پایینتری دارد؛ بنابراین گزینهای ایدهآل برای اتوماسیون صنعتی، تجهیزات کنترلی، سیستمهای برق اضطراری و شبکه محسوب میشود.
ویژگیهای منبع تغذیه ریلی XDR-480E-36
-
توان نامی: 480 وات
-
خروجی: 36 ولت DC – جریان نامی 13.3 آمپر (قابل تنظیم در بازه 36~42 ولت)
-
حداکثر راندمان: تا 95.5%
-
ابعاد باریک: 48 × 125.2 × 116 میلیمتر (طراحی Slim DIN Rail)
-
ورودی یونیورسال: 85~264VAC یا 120~370VDC (قابل استفاده در برق 110/220 ولت)
-
دمای کاری وسیع: ℃40- تا ℃70+
-
خنکسازی بدون فن: تنها با جریان همرفتی (افزایش طول عمر و کاهش خرابی)
-
سیگنال DC OK: کنتاکت رلهای 30VDC/1A یا 30VAC/0.5A
-
مصرف توان در حالت آمادهبهکار: کمتر از 1.2 وات
-
قابلیت کار موازی: تا 4 واحد (Droop Mode) با اشتراک جریان خودکار (Current Sharing) برای افزایش توان خروجی کلی تا حدود 1440 وات (3+1) معادل 24 ولت 72 آمپر
-
حفاظتهای کامل: اتصال کوتاه / اضافه بار (Constant Current + Hiccup) / اضافه ولتاژ / افزایش دما
-
استاندارد ایمنی OVC III: مقاوم در برابر نوسانات شدید ولتاژ، مناسب برای تابلوهای برق و سیستمهای اتوماسیون صنعتی
-
عملکرد پایدار در ارتفاع: تا 5000 متر بالاتر از سطح دریا
-
استانداردها و تأییدیهها: CB / TUV / UL / RCM / BSMI / CCC / BIS / EAC / CE / UKCA
-
میانگین عمر مفید (MTBF): بیش از 1.48 میلیون ساعت بر اساس Telcordia SR-332
-
مدت گارانتی: 3 سال گارانتی و 10 سال خدمات پس از فروش (تحت پشتیبانی مین ول ایران)
حفاظتها
اتصال کوتاه (Short Circuit Protection):
در صورت بروز اتصال کوتاه در خروجی، منبع تغذیه وارد حالت محدودسازی جریان ثابت (Constant Current Limiting) همراه با عملکرد Hiccup Mode میشود تا از آسیب به مدار جلوگیری کند. پس از رفع خطا، دستگاه بهصورت خودکار به حالت عادی بازمیگردد.
اضافه بار (Over Load Protection):
زمانی که بار خروجی از مقدار مجاز فراتر رود، منبع تغذیه رفتار دومرحلهای دارد:
-
در محدودهی 30% تا 100% ولتاژ نامی خروجی:
مدار وارد حالت محدودسازی جریان ثابت (Constant Current Limiting) میشود. در این حالت دستگاه خاموش نمیشود و با کاهش ولتاژ خروجی، جریان را در حد ثابت نگه میدارد تا از آسیب جلوگیری کند. پس از رفع اضافه بار، سیستم بهطور خودکار بازیابی میشود. -
در صورتی که ولتاژ خروجی کمتر از 30% مقدار نامی سقوط کند:
دستگاه برای جلوگیری از آسیب به خود یا بار، وارد حالت Hiccup Mode (قطع و تلاش خودکار برای راهاندازی مجدد) میشود و پس از رفع خطا، مجدداً به وضعیت عادی بازمیگردد.
افزایش ولتاژ خروجی (Over Voltage Protection):
در صورتی که ولتاژ خروجی از حدود 50 ولت DC فراتر رود، منبع تغذیه بهصورت خودکار به حالت Shut Down وارد میشود تا از تجهیزات متصل محافظت شود. پس از قطع و وصل مجدد ورودی برق، دستگاه به وضعیت عادی بازمیگردد.
افزایش دما (Over Temperature Protection):
در شرایطی که دمای داخلی از حد مجاز بالاتر رود، مدار حفاظتی O.T.P فعال شده و خروجی بهطور ایمن قطع میشود. با بازگشت دما به محدوده نرمال، عملکرد دستگاه بهصورت خودکار بازیابی میگردد.
افزایش یا نوسان ناگهانی جریان هجومی (Inrush Current Protection):
در هنگام روشن شدن، جریان هجومی ورودی محدود میشود تا از آسیب به قطعات و فیوز جلوگیری گردد. حداکثر جریان هجومی در شرایط 230VAC حدود 30A و در 115VAC حدود 15A است.
نشتی جریان (Leakage Current):
جریان نشتی دستگاه کمتر از 1mA در 240VAC است که ایمنی کامل تجهیزات و اپراتور را تضمین میکند.
قابلیتها
در این بخش به توضیحات مختصر ویژگیهای منبع تغذیه XDR-480E-36 از برند مینول (MEAN WELL) میپردازیم.
تصحیح ولتاژ (Voltage Adjustment)
قابلیت تنظیم ولتاژ خروجی در بازه 36 تا 42 ولت DC بهصورت دستی از طریق پتانسیومتر تعبیهشده روی دستگاه وجود دارد.
این ویژگی به کاربر اجازه میدهد ولتاژ دقیق مورد نیاز بار را در خروجی تنظیم کند و افت ولتاژ روی سیمهای انتقال را جبران نماید.
قابلیت تنظیم ولتاژ خروجی منبع تغذیه XDR-480E-36
قابلیت جبران افت ولتاژ در بارهای طولانی
سیگنال اعلام وضعیت خروجی (DC OK Signal)
این مدل دارای سیگنال خروجی DC OK از نوع کنتاکت رلهای است.
در حالت نرمال (ولتاژ خروجی پایدار) کنتاکت در وضعیت ON قرار دارد و در صورت افت یا قطع ولتاژ خروجی، وضعیت به OFF تغییر میکند.
مشخصات کنتاکت: 30VDC/1A یا 30VAC/0.5A (مقاومتی)
سیگنال هشدار DC OK منبع تغذیه XDR-480E-36
قابلیت مانیتورینگ وضعیت خروجی در سیستمهای کنترلی و PLC
قابلیت کار موازی (Parallel Operation)
این منبع تغذیه قابلیت اتصال تا ۴ واحد (۳+۱) را بهصورت موازی داراست.
عملکرد موازی در حالت Droop Mode و Current Sharing انجام میشود تا جریان خروجی بهصورت خودکار بین واحدها تقسیم گردد.
در این حالت توان کلی سیستم میتواند تا حدود ۱۴۴۰ وات افزایش یابد.
اتصال سیگنال P-Link میان واحدها برای اشتراک جریان دقیق الزامی است.
قابلیت موازیسازی منبع تغذیه XDR-480E-36
اشتراک جریان خودکار بین واحدها (Current Sharing)
نکته: در حالت موازی، باید سیمکشی خروجی با طول کوتاه و سطح مقطع بالا انجام شود و حداقل بار سیستم بیش از ۷٪ جریان نامی کل باشد تا همه واحدها بهدرستی در مدار باقی بمانند.

شمای موازی کردن منبع تغذیه ریلی XDR-480
خلاصهٔ عملکرد
-
این خانواده قابلیت موازیسازی تا 4 واحد (۳+۱) را دارد.
-
حالت کاری پیشفرض برای تقسیم بار، Droop Mode است و برای تقسیم دقیقتر جریان Current Sharing با استفاده از PLINK (پین سیگنال) فعال میشود.
-
فرمول حدودی برای حداکثر جریان در حالت موازی طبق دیتاشیت:
Total current ≈ Rated current per unit × Number of units × 0.9
(ضریب 0.9 برای فراهم آوردن حاشیه ایمنی در دیتا شیت ذکر شده است.)
نمونه محاسبه:
-
XDR-480E-36 (13.3 A هر واحد) با 4 واحد : 13.3×4×0.9=47 A حدودی.
پیشنیازها و ملزومات
-
از یکسان بودن مدل، ورژن و تنظیمات کارخانهای واحدها اطمینان حاصل کنید (ترجیحاً همه واحدها از یک دسته خرید باشند).
-
کابلهای خروجی کوتاه و با سطح مقطع کافی (قطر بزرگ) استفاده شود تا افت ولتاژ و مقاومت سری حداقل گردد.
-
پین PLINK (Parallel Link) بین واحدها بهدرستی متصل شود تا حالت موازی و اشتراکگذاری برقرار شود.
-
نصب حفاظتی: فیوز یا بریکر در خروجی هر واحد برای محافظت محلی پیشنهاد میشود.
-
حداقل بار: در حالت موازی، حداقل بار کل باید بیشتر از 7% جریان نامی کل باشد؛ در غیر این صورت ممکن است فقط یک واحد (Master) فعال بماند و بقیه در حالت standby قرار گیرند.
روش اتصال و گامهای اجرایی (گامبهگام)
-
آمادهسازی واحدها
-
همه واحدها را روی ریل DIN نصب کنید با فاصلهٔ مناسب برای تهویه.
-
بررسی کنید همه واحدها سالم باشند (ظاهری، پیچها سفت، ترمینالها درست).
-
-
تنظیم اولیهٔ ولتاژ (Matching Vout)
-
قبل از اتصال خروجیها به هم، ولتاژ خروجی هر واحد را با مولتیمتر دقیق روی مقدار هدف تنظیم کنید (با پتانسیومتر V-ADJ).
-
اختلاف ولتاژ بین واحدها باید تا جای ممکن کمتر از 0.1 V باشد (دیتاشیت ذکر میکند تفاوت خروجی نباید بیش از 0.1V باشد).
-
-
اتصال PLINK (برای Current Sharing دقیقتر)
-
پین PLINK (یا PLINK short) هر واحد را طبق دیتاشیت با هم بهوسیلهٔ کابل/باسپین کوتاه و محافظتشده متصل کنید.
-
در دیتاشیت XDR-E، P lines باید محلی (short) و کوتاه باشند؛ سیمکشی بلند بین PLINKها عملکرد اشتراک را مختل میکند.
-
-
اتصال خروجیها
-
خروجی مثبت (+) همهٔ واحدها را به باسبار/شین مشترک وصل کنید؛ خروجی منفی (-) نیز به همان شکل.
-
نکتهٔ مهم: از سیمهای کوتاه و ضخیم (قطر مناسب) استفاده کنید تا مقاومت سری کم شود. در صورت امکان از یک باسبار مسی استفاده کنید و هر واحد را با کابل کوتاه به باسبار متصل کنید (ترجیحاً همه کابلها طول و سطح مقطع یکسان).
-
-
فیوز/محافظ در خروجی هر واحد
-
برای افزایش ایمنی، هر خروجی واحد را قبل از اتصال به باسبار از طریق فیوز یا مدار حفاظت مناسب عبور دهید. این کار هنگام بروز خطا اجازه میدهد فقط واحد معیوب ایزوله شود.
-
-
ارتباط زمین و حفاظتی
-
اتصال FG (فریم گراند) به زمین حفاظتی الزامی است. زمین مشترک و اتصال صحیح باعث کاهش نویز و بهبود ایمنی میشود.
-
-
روال روشن/آزمون اولیه
-
با یک بار مقاومتی کنترلشده و مقدار کم روشن کنید؛ ولتاژ و جریان هر واحد را بررسی کنید. سپس بار را بهتدریج افزایش دهید و توزیع جریان بین واحدها را مانیتور کنید.
-
بررسی کنید که دمای هر واحد در محدودهٔ قابل قبول باشد و هیچیک بیش از حد گرم نشود.
-
رفتار تحت شرایط مختلف و نکات فنی
-
حالت Droop Mode:
-
این حالت تقسیم بار را به صورت خودکار و «غیرکنترلی» انجام میدهد؛ هر واحد با افزایش جریان، کمی ولتاژ خود را میکاهد و بدین ترتیب بار تقسیم میشود.
-
مزیت: ساده، نیاز به سیمکشی کنترلی ندارد. معایب: تقسیم بار دقیق نیست (نمیتوان انتظار تقسیم 100% برابر داشت).
-
-
حالت Current Sharing (با PLINK):
-
با اتصال PLINK، واحدها سیگنال اشتراک جریان تبادل میکنند و تقسیم جریان دقیقتر میشود.
-
الزامات: PLINKها باید کوتاه و مطابق دیتاشیت متصل شوند؛ اختلاف ولتاژ بیباری بین واحدها کمتر از 0.1V باشد.
-
-
رفتار در بار بسیار کم (<7% کل):
-
در این حالت احتمال دارد تنها یک واحد (Master) فعال بماند و بقیه در حالت standby قرار گیرند؛ بنابراین اگر سیستم شما معمولاً بار خیلی کم دارد، طراحی موازی برای شما مناسب نیست یا باید کنترل اضافی لحاظ کنید.
-
-
رفتار در اضافهبار و خطا:
-
در صورت اضافهبار متوسط، واحدها وارد Constant Current Limiting میشوند و بدون خاموشی جریان را محدود میکنند.
-
اگر ولتاژ خروجی به کمتر از 30% برسد، واحدها وارد Hiccup Mode میشوند؛ در حالت موازی، این وضعیت بسته به نحوهٔ سیمکشی ممکن است باعث نوسانات یا تلاشهای مکرر راهاندازی گردد. دیتاشیت معمولاً اعلام میکند که پس از رفع خطا دستگاهها بهصورت خودکار بازیابی میشوند.
-
-
ترتیب Master/Slave:
-
معمولاً واحدها نیازی به تعیین صریح Master/Slave ندارند؛ سیستم droop+plink مدیریت را انجام میدهد. با این حال بعضی نصبها یک واحد را بهعنوان Master انتخاب میکنند — دیتاشیت XDR-E بیانگر این است که در بار خیلی کم فقط یک واحد ممکن است فعال بماند.
-
انتخاب کابلها، اتصالات و حفاظت (رهنمودهای ایمنی)
-
از کابلهای کوتاه و ضخیم برای خروجیها استفاده کنید؛ طول کابل بین هر PSU و باسبار را تا حد ممکن کم نگه دارید.
-
از باسبار مسی برای توزیع جریان بالا استفاده کنید.
-
فیوز یا بریکر (Each PSU): برای حفاظت محلی در شرایط خطا هر واحد قبل از اتصال به بار باید فیوز داشته باشد.
-
پیچهای ترمینال را طبق گشتاور توصیهشده ببندید (دیتاشیت معمولاً گشتاور ترمینال را مشخص میکند).
-
برای جریانهای بالای ترکیبی (>50A) از استانداردهای محلی و جدولهای انتخاب کابل استفاده کنید (میزان افت ولتاژ و دمای قابل تحمل را حساب کنید).
-
فضای نصب و تهویه: حتی در حالت fanless، در حالت موازی حرارت تجمعی بالاتر است — فاصلههای نصب و جریان هوا را در نظر بگیرید.
تستها و راهکارهای عیبیابی
-
تست پیش از اتصال کامل: یکییکی هر PSU را روشن کنید، Vout و DC-OK را بررسی کنید.
-
تست تطابق ولتاژ: قبل از PLINK و اشتراک، ولتاژهای واحدها را روی هم منطبق کنید (اختلاف <0.1V).
-
تست اشتراک: با بار مرحلهای مشاهده کنید جریانها تقریباً مساوی توزیع میشوند. اگر اختلاف زیاد است: بررسی Vout match، اتصالات PLINK، مقاومتهای سری کابل.
-
در صورت گرم شدن بیش از حد یک واحد: آن واحد را از مدار جدا کنید و تست کنید؛ ممکن است مشکل سختافزاری یا اتصال نامناسب وجود داشته باشد.
نکات اجرایی و توصیههای عملی
-
حتماً دیتاشیت کامل و «Function Manual» را پیش از هر نصب مطالعه کنید (عمدهٔ جزئیات PLINK و ترمینالها در آن توضیح داده شده).
-
برای پروژههایی که نیاز به قابلیت redundancy (پشتیبانی افزونه) دارند، از حالت ۳+۱ استفاده کنید (۳ واحد بارده و یک واحد بهعنوان رزرو).
-
در محیطهای حساس، از مانیتورینگ دما و جریان استفاده کنید تا عملکرد واحدها به صورت پیوسته ثبت شود.
-
در طراحی تابلو، مسیرهای کابلکشی خروجی را از مسیرهای سرویس و سیگنال جدا کنید تا تداخل و افت ولتاژ کاهش یابد.
راندمان بالا و خنکسازی بدون فن
طراحی این منبع تغذیه بهصورت Fanless (بدون فن) بوده و تنها از جریان همرفتی هوا برای خنکسازی استفاده میکند.
به همین دلیل، نویز صوتی حذف شده و عمر قطعات داخلی افزایش مییابد.
راندمان دستگاه تا 94% بوده و عملکرد پایدار آن در محدودهی دمایی °C-40 تا °C+70 تضمین شده است.
طراحی بدون فن با راندمان بالا
کارکرد پایدار در دما و ارتفاع بالا (تا 5000 متر)
حفاظتهای هوشمند (Protections)
منبع تغذیه XDR-480E-36 دارای مجموعه کامل حفاظتهای الکتریکی است:
-
اتصال کوتاه: مد جریان ثابت + Hiccup، بازیابی خودکار
-
اضافه بار: 105~130% (230VAC) / 105~150% (115VAC)
-
افزایش ولتاژ خروجی: 50V → خاموشی ایمن (Shut Down)
-
افزایش دما: خاموشی حرارتی (OTP) با بازیابی خودکار
سیستم حفاظت چندمرحلهای برای اطمینان کامل عملکرد در شرایط بحرانی
مصرف توان پایین در حالت آمادهبهکار
مصرف توان دستگاه در حالت بدون بار کمتر از 1.2 وات است که آن را به گزینهای مناسب برای سامانههای صرفهجو در انرژی تبدیل میکند.
مصرف بسیار پایین در حالت استندبای
استانداردها و کیفیت ساخت
این مدل دارای مجموعهای از تأییدیههای بینالمللی شامل CB، CE، UL، TUV، EAC، RCM، BIS، BSMI، CCC و UKCA است.
رده ایمنی OVC III تضمینکننده مقاومت در برابر نوسانات شدید ولتاژ است.
تأییدشده طبق استانداردهای جهانی ایمنی و EMC
گارانتی و خدمات
منبع تغذیه XDR-480E-36 با سه سال گارانتی رسمی و ده سال خدمات پس از فروش تحت پشتیبانی مینول ایران (Mean Well Iran) عرضه میشود.
دانلود فایلهای مربوط به منبع تغذیه XDR-480E-36
| سری XDR-480E-36 | دانلود |
| مشخصات فنی XDR-480E | ![]() |
| گزارش فنی XDR-480E-36 | ![]() |
| دفترچه راهنما | ![]() |
جدول کامل محصول سری های XDR-480E
| خروجی مطلوب | لینک مشاهده |
| 12 ولت / 20 آمپر | XDR-480E-12 |
| 24 ولت / 10 آمپر | XDR-480E-24 |
| 36 ولت / 6.66 آمپر | XDR-480E-36 |
| 48 ولت / 5 آمپر | XDR-480E-48 |
برای آشنایی بیشتر با نسل جدید منابع تغذیه ریلی مینول و بررسی مشخصات کامل خانواده XDR-E، میتوانید خبر معرفی این محصول را در وبسایت مینول ایران مطالعه کنید:
مشاهده خبر معرفی خانواده XDR-E در وبسایت مینول ایران









نقد و بررسیها
هنوز بررسیای ثبت نشده است.