توضیحات
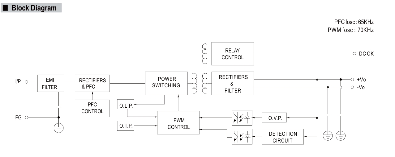
منبع تغذیه XDR-240E-12 از برند مینول (MEAN WELL)، یک پاور سوئیچینگ ریلی باریک (Slim DIN Rail) و اقتصادی با توان 240 وات و خروجی 12 ولت DC (قابل تنظیم در بازه 12 تا 15 ولت) – جریان نامی 20 آمپر است.
این مدل با طراحی فوقفشرده (عرض تنها 40 میلیمتر) فضای کمی را در تابلو برق اشغال میکند و برای پروژههای صنعتی با محدودیت فضا بسیار مناسب است.
راندمان دستگاه تا 94.5% میرسد و طراحی بدون فن آن همراه با گستره دمای کاری وسیع از °C-40 تا °C+70، طول عمر بالا و عملکرد مطمئن در محیطهای صنعتی را تضمین میکند.
ورودی یونیورسال 85~264 ولت AC یا 120~370 ولت DC، امکان استفاده مستقیم در شبکههای برق 110 و 220 ولت را بدون نیاز به تنظیم خاصی فراهم میسازد.
یکی از قابلیتهای کلیدی این مدل، سیگنال DC-OK بهصورت کنتاکت رلهای (30VDC/1A یا 30VAC/0.5A) است که برای پایش وضعیت خروجی به سیستمهای کنترلی یا PLC متصل میشود. در صورت افت یا قطع ولتاژ خروجی، رله تغییر وضعیت داده و هشدار لازم به مدار کنترل ارسال میشود؛ ویژگیای که برای افزایش اطمینان در سامانههای حیاتی مانند تابلوهای برق و سیستمهای اتوماسیون بسیار ضروری است.
از دیگر ویژگیهای مهم این منبع تغذیه میتوان به مواردی همچون : حفاظت کامل در برابر اتصال کوتاه، اضافه ولتاژ، اضافه بار و افزایش دما، توان استندبای کمتر از 1 وات، ضریب توان بالا، دارای استاندارد ایمنی OVC III اشاره نمود.
میانگین عمر مفید (MTBF) این مدل بیش از 1.7 میلیون ساعت بر اساس استاندارد Telcordia SR-332 است.
مطابق با مجموعه گستردهای از استانداردهای بینالمللی شامل:
UL61010، IEC/EN62368-1، IEC/EN61558-1/-2-16، CB، CE، UKCA، EAC، RCM، BIS، BSMI، CCC
بهعنوان عضوی از خانوادهی جدید XDR-E Series، این مدل نسبت به نسلهای پیشین مانند SDR، NDR و EDR راندمان بالاتر، ابعاد کوچکتر و مصرف انرژی پایینتری دارد؛ بنابراین گزینهای ایدهآل برای اتوماسیون صنعتی، تجهیزات کنترلی، سیستمهای برق اضطراری و شبکه محسوب میشود.
ویژگیهای منبع تغذیه ریلی XDR-240E-12
-
توان نامی: 240 وات
-
خروجی: 12 ولت DC – جریان نامی 20 آمپر (قابل تنظیم در بازه 12~15 ولت)
-
حداکثر راندمان: تا 94%
-
ابعاد باریک: 40 × 125.2 × 116 میلیمتر (طراحی Slim DIN Rail)
-
ورودی یونیورسال: 85~264VAC یا 120~370VDC (قابل استفاده در برق 110/220 ولت)
-
دمای کاری وسیع: ℃40- تا ℃70+
-
خنکسازی بدون فن: تنها با جریان همرفتی (افزایش طول عمر و کاهش خرابی)
-
سیگنال DC OK: کنتاکت رلهای 30VDC/1A یا 30VAC/0.5A
-
مصرف کم در حالت آمادهبهکار: کمتر از 1.2 وات
-
حفاظتهای کامل: اتصال کوتاه / اضافه بار (Constant Current + Hiccup) / اضافه ولتاژ / دمای بیش از حد
-
استاندارد ایمنی OVC III: مقاوم در برابر نوسانات شدید ولتاژ (مناسب تابلوهای برق و تأسیسات صنعتی)
-
عملکرد پایدار در ارتفاع: تا 5000 متر بالاتر از سطح دریا
-
انطباق با استانداردهای جهانی: CB / TUV / UL / RCM / BSMI / CCC / BIS / EAC / CE / UKCA
-
3 سال گارانتی و 10 سال خدمات پس از فروش از مین ول ایران
حفاظتها
اتصال کوتاه (Short Circuit Protection):
منبع تغذیه در صورت بروز اتصال کوتاه در خروجی، وارد حالت محدودسازی جریان ثابت (Constant Current Limiting) میشود و بدون خاموشی، خروجی را پایدار نگه میدارد. پس از رفع خطا، دستگاه بهصورت خودکار به شرایط عادی بازمیگردد.
اضافه بار (Over Load Protection):
-
در ورودی 230VAC: در بازه 105 تا 130 درصد توان نامی، منبع تغذیه وارد حالت محدودسازی جریان ثابت (Constant Current Limiting) میشود و پس از رفع اضافه بار، بهطور خودکار بازیابی میگردد.
-
در ورودی 115VAC: در بازه 105 تا 150 درصد توان نامی، عملکرد مشابه داشته و بدون خاموشی، خروجی را پایدار نگه میدارد.
افزایش ولتاژ خروجی (Over Voltage Protection):
در صورتی که ولتاژ خروجی از حدود 15 تا 18 ولت DC فراتر رود، دستگاه برای محافظت از بار به حالت خاموشی ایمن (Shut Down) وارد میشود. برای بازیابی عملکرد، کافی است منبع تغذیه یکبار از برق جدا و سپس مجدداً متصل شود.
افزایش دما (Over Temperature Protection):
در صورت افزایش بیش از حد دمای داخلی، دستگاه به حالت خاموشی ایمن (Shut Down) میرود. پس از بازگشت دما به محدوده مجاز، سیستم بهصورت خودکار عملکرد عادی خود را از سر میگیرد.
افزایش یا نوسان ناگهانی جریان هجومی (Inrush Current Protection):
در زمان روشن شدن، جریان هجومی محدود شده و حداکثر به حدود 30A در 230VAC و 15A در 115VAC میرسد تا از آسیب به اجزای ورودی و فیوز محافظ جلوگیری شود.
نشتی جریان (Leakage Current):
میزان جریان نشتی خروجی کمتر از 1mA در 240VAC است و ایمنی سیستمهای متصل را تضمین میکند.
دانلود فایلهای مربوط به منبع تغذیه XDR-240E-12
| سری XDR-240E-12 | دانلود |
| مشخصات فنی XDR-240E | ![]() |
| گزارش فنی XDR-240E-12 | ![]() |
| دفترچه راهنما | ![]() |
جدول کامل محصول سری های XDR-240E
| خروجی مطلوب | لینک مشاهده |
| 12 ولت / 20 آمپر | XDR-240E-12 |
| 24 ولت / 10 آمپر | XDR-240E-24 |
| 36 ولت / 6.66 آمپر | XDR-240E-36 |
| 48 ولت / 5 آمپر | XDR-240E-48 |
برای آشنایی بیشتر با نسل جدید منابع تغذیه ریلی مینول و بررسی مشخصات کامل خانواده XDR-E، میتوانید خبر معرفی این محصول را در وبسایت مینول ایران مطالعه کنید:
مشاهده خبر معرفی خانواده XDR-E در وبسایت مینول ایران






نقد و بررسیها
هنوز بررسیای ثبت نشده است.