توضیحات
منبع تغذیه XTR-240-24 از برند مینول (MEAN WELL) یک پاور سوئیچینگ ریلی فوقباریک (Ultra Slim DIN Rail) با ورودی سه فاز و صنعتی با توان نامی 240 وات و خروجی 24 ولت DC قابل تنظیم در بازه 24 تا 29 ولت است. جریان نامی خروجی این مدل 10 آمپر بوده و برای کاربردهای صنعتی با نیاز به توان پایدار و قابل اطمینان طراحی شده است.
این منبع تغذیه با عرض تنها 48 میلیمتر، فضای بسیار کمی را در تابلو برق اشغال میکند و گزینهای ایدهآل برای تابلوهای صنعتی با تراکم بالا محسوب میشود. طراحی بدون فن (Fanless) و خنککاری با همرفت طبیعی هوا، در کنار بازه دمای کاری بسیار گسترده از °C-40 تا °C+85 (تا °C+60 در بار کامل)، عملکرد پایدار و طول عمر بالا را حتی در شرایط سخت صنعتی تضمین میکند.
XTR-240-24 دارای ورودی سهفاز با دامنه وسیع 320 تا 600 ولت AC (با امکان کارکرد دو فاز در شرایط خاص) است و بهطور ویژه برای شبکههای برق صنعتی و تأسیسات سنگین طراحی شده است. راندمان این مدل تا 92.5٪ میرسد و مصرف توان در حالت بیباری آن کمتر از 2.5 وات است که به کاهش مصرف انرژی و تلفات حرارتی کمک میکند.
یکی از قابلیتهای مهم این سری، تحمل توان پیک تا 150٪ توان نامی برای مدت کوتاه (Peak Power) است که امکان راهاندازی بارهای موتوری و بارهای لحظهای سنگین را بدون افت عملکرد فراهم میسازد. همچنین قابلیت موازیسازی فعال (Active Current Sharing) تا 4 دستگاه (حداکثر توان 960 وات) بهصورت سفارشی در دسترس است.
این مدل قادر به ارسال سیگنال DC-OK بهصورت کنتاکت رلهای است (30VDC/1A یا 30VAC/0.5A) که امکان مانیتورینگ وضعیت خروجی و ارسال هشدار به PLC یا سیستمهای کنترلی را فراهم میکند. در صورت افت یا قطع ولتاژ خروجی، وضعیت رله تغییر کرده و ایمنی و پایداری سیستم افزایش مییابد.
از دیگر ویژگیهای کلیدی XTR-240-24 میتوان به حفاظت کامل در برابر اتصال کوتاه، اضافه بار، اضافه ولتاژ و افزایش دما، جریان هجومی بسیار پایین (کمتر از 10 آمپر)، انطباق با Over Voltage Category III (OVC III) و پوشش محافظ داخلی برد (Conformal Coating) برای مقاومت در برابر گردوغبار و رطوبت اشاره کرد.
میانگین عمر مفید (MTBF) این منبع تغذیه بیش از 1.4 میلیون ساعت بر اساس استاندارد Telcordia SR-332 است که نشاندهنده سطح بالای اطمینانپذیری آن در کاربردهای بلندمدت صنعتی است.
این محصول مطابق با مجموعهای گسترده از استانداردهای بینالمللی ایمنی و EMC از جمله:
UL/IEC/EN 61010-1، IEC/EN 62368-1، IEC/EN 61558-1/-2-16، CB، CE، UKCA، RCM، EAC، CCC، BSMI، BIS، DNV Marine
طراحی و تأیید شده است.
سری XTR-240 بهعنوان نسل جدید و جایگزین پیشرفته خانواده قدیمی WDR-240، با راندمان بالاتر، ابعاد باریکتر، قابلیت توان پیک، ورودی سهفاز واقعی و امکانات کنترلی پیشرفته، انتخابی ایدهآل برای اتوماسیون صنعتی، تجهیزات کنترلی، صنایع فرآیندی، خطوط تولید، سیستمهای انرژی و کاربردهای سنگین صنعتی محسوب میشود.
ویژگیهای منبع تغذیه ریلی XTR-240-24
- توان نامی: 240 وات
- خروجی: 24 ولت DC – جریان نامی 10 آمپر (قابل تنظیم در بازه 24~29 ولت)
- ورودی سهفاز گسترده: 320~600VAC با تحمل اضافه ولتاژ لحظهای 600~700VAC بهمدت 1 ثانیه (امکان کارکرد دو فاز در شرایط مشخص)
- حداکثر راندمان: تا 92.5٪ همراه با تلفات توان بسیار پایین (مصرف بیباری کمتر از 2.5 وات)
- ابعاد فوقباریک: 48 × 125.2 × 125 میلیمتر (طراحی Ultra Slim DIN Rail با عرض تنها 48 میلیمتر)
- قابلیت توان پیک: تحمل 150٪ توان نامی
- محدودکننده جریان داخلی: مدار Constant Current Limiting داخلی برای حفاظت مؤثر بار و منبع تغذیه
- قابلیت موازیسازی فعال: اشتراک جریان تا توان 960 وات (پیکربندی 3+1) برای استفاده موازی – بهصورت سفارشی
- خنکسازی بدون فن: خنککاری با همرفت طبیعی هوا (افزایش طول عمر، کاهش نویز و خرابی)
- بازه دمای کاری وسیع: از ℃40- تا ℃85+ (دریتینگ توان در دماهای بالاتر از ℃60)
- سیگنال DC OK: کنتاکت رلهای برای مانیتورینگ وضعیت خروجی
30VDC / 1A یا 30VAC / 0.5A - جریان هجومی بسیار پایین: کمتر از 10 آمپر (کاهش تنش اولیه شبکه و تجهیزات بالادستی)
- حفاظتهای کامل: اتصال کوتاه / اضافه بار / اضافه ولتاژ / افزایش دما
- استاندارد ایمنی OVC III: مناسب شبکههای برق صنعتی با نوسانات شدید ولتاژ
- عملکرد پایدار در ارتفاع: قابلیت کارکرد تا 5000 متر بالاتر از سطح دریا
- قابلیت OR-ing FET: محافظت در برابر برگشت ولتاژ از بار – بهصورت سفارشی
- ترمینال بدون ابزار: ترمینال Tool-Free نوع LA برای نصب سریع و ایمن
- پوشش محافظ برد (Conformal Coating): افزایش مقاومت در برابر رطوبت، گردوغبار و شرایط محیطی سخت
- قابلیت نصب: ریل استاندارد DIN Rail TS-35/7.5 یا TS-35/15
- گارانتی: 5 سال ضمانت رسمی از MEAN WELL
حفاظتها
XTR-240-24 فقط به سیستم محافظ ابتدایی مجهز نشده؛ بلکه یک سیستم حفاظتی چندلایه صنعتی شامل حفاظت الکتریکی، حرارتی، شبکهای و بار القایی است که آن را کاملاً مناسب اتوماسیون صنعتی، موتور، خطوط تولید و شبکههای سهفاز میکند.
اتصال کوتاه (Short Circuit Protection):
در صورت بروز اتصال کوتاه در خروجی، منبع تغذیه وارد حالت محدودسازی جریان ثابت (Constant Current Limiting) میشود. در این حالت، بدون خاموشی کامل، خروجی بهصورت ایمن کنترل شده و پس از رفع خطا، دستگاه بهطور خودکار به شرایط عادی بازمیگردد.
اضافه بار (Over Load Protection):
در بازه 105٪ تا 150٪ توان نامی، منبع تغذیه وارد حالت محدودسازی جریان ثابت همراه با عملکرد Hiccup میشود. پس از حذف اضافه بار، خروجی بدون نیاز به ریست دستی بهصورت خودکار بازیابی میگردد.
افزایش ولتاژ خروجی (Over Voltage Protection):
در صورتی که ولتاژ خروجی از محدوده مجاز فراتر رود (حدود 30 تا 36 ولت DC)، دستگاه برای محافظت از بار وارد حالت خاموشی ایمن (Shut Down) میشود. با قطع و وصل مجدد ورودی برق، عملکرد عادی بازیابی خواهد شد.
افزایش دما (Over Temperature Protection):
در صورت بالا رفتن دمای داخلی بیش از حد مجاز، منبع تغذیه به حالت خاموشی ایمن میرود. پس از کاهش دما و بازگشت به محدوده مجاز، دستگاه بهصورت خودکار مجدداً راهاندازی میشود.
محدودسازی جریان هجومی (Inrush Current Limiting):
در لحظه راهاندازی، جریان هجومی بهصورت داخلی کنترل شده و مقدار آن کمتر از 10 آمپر باقی میماند. این ویژگی از آسیب به پل دیود، خازنهای ورودی، فیوز و تجهیزات بالادستی جلوگیری میکند.
حفاظت در برابر برگشت ولتاژ از بار (Reverse Energy Protection):
در نسخههای سفارشی مجهز به OR-ing FET، منبع تغذیه در برابر برگشت ولتاژ یا انرژی القایی از بارهایی مانند موتور و سلونوئید محافظت میشود و از آسیب دیدن مدار خروجی جلوگیری میگردد.
تحمل اضافه ولتاژ و نوسانات شدید ورودی (Surge & Over Voltage Category III):
طراحی مطابق با OVC III باعث مقاومت بالا در برابر نوسانات شدید ولتاژ، ضربههای گذرا و شرایط ناپایدار شبکههای برق صنعتی میشود؛ ویژگیای حیاتی در تابلوهای سهفاز و تأسیسات سنگین.
ایزولاسیون ایمن ورودی به خروجی (Isolation Protection):
ایزولاسیون تقویتشده بین ورودی، خروجی و ارت مطابق با استانداردهای ایمنی صنعتی، از انتقال خطا و ولتاژ خطرناک به بار و تجهیزات کنترلی جلوگیری میکند.
نشتی جریان (Leakage Current):
میزان جریان نشتی کمتر از 2 میلیآمپر در 530VAC است که ایمنی کاربران و سازگاری با استانداردهای بینالمللی را تضمین میکند.
قابلیتها
در این بخش به توضیحات مختصر ویژگیهای منبع تغذیه XTR-240-24 از برند مینول (MEAN WELL) میپردازیم.
تصحیح ولتاژ (Voltage Adjustment)
در منبع تغذیه XTR-240-24 امکان تنظیم ولتاژ خروجی در بازه 24 تا 29 ولت DC بهصورت دستی از طریق پتانسیومتر تعبیهشده روی دستگاه وجود دارد.
این قابلیت به کاربر اجازه میدهد ولتاژ خروجی دقیق مورد نیاز بار را تنظیم کرده و افت ولتاژ ایجادشده در مسیر کابلها یا در جریانهای بالا را جبران نماید.
سیگنال اعلام وضعیت خروجی (DC OK Signal)
این مدل به سیگنال DC OK از نوع کنتاکت رلهای مجهز است که وضعیت عملکرد خروجی را بهصورت لحظهای اعلام میکند.
در شرایط نرمال و ولتاژ پایدار، کنتاکت در وضعیت ON قرار دارد و در صورت افت یا قطع ولتاژ خروجی، وضعیت آن به OFF تغییر میکند.
مشخصات کنتاکت رله:
30VDC / 1A یا 30VAC / 0.5A (بار مقاومتی)
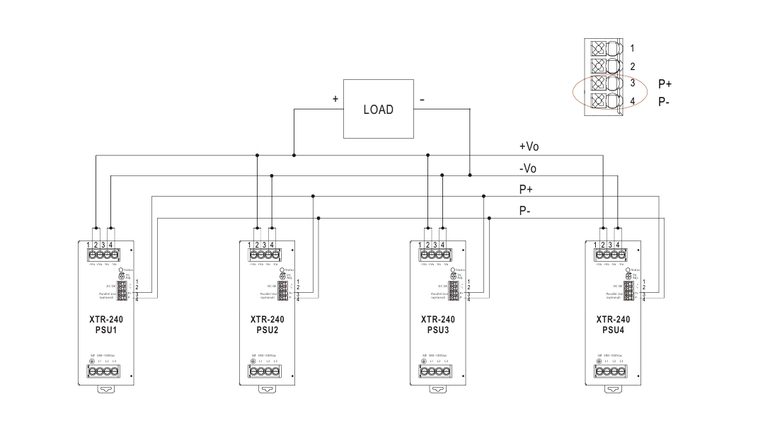
قابلیت اشتراک گذاری جریان (Parallel Operation – Active Current Sharing)
منبع تغذیه XTR-240-24 در نسخه سفارشی، قابلیت اتصال تا ۴ واحد (۳+۱) بهصورت موازی را داراست.
در این حالت، تقسیم جریان خروجی از طریق Active Current Sharing انجام میشود تا بار بهصورت یکنواخت بین واحدها توزیع گردد و پایداری سیستم حفظ شود.
در پیکربندی موازی، توان کلی سیستم میتواند تا 960 وات افزایش یابد.
برای عملکرد صحیح، اتصال سیگنالهای P+ و P- میان واحدها جهت اشتراک جریان دقیق الزامی است.

دیاگرام اشتراک گذاری جریان منبع تغذیه ریلی سه فاز XTR-240
قابلیت توان پیک (Peak Power Capability)
سری XTR-240 دارای قابلیت تأمین توان پیک تا 150٪ توان نامی است.
این ویژگی امکان راهاندازی بارهایی با جریان لحظهای بالا مانند موتور، سلونوئید، شیر برقی و بارهای القایی را بدون افت ولتاژ یا خاموشی فراهم میکند.
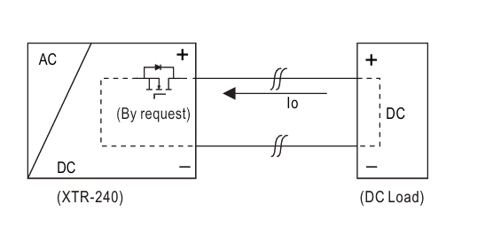
حفاظت در برابر برگشت جریان از سمت بار (Protection Against Inverse Reverse From The Load)
در صورت سفارش نسخه سفارشی، منبع تغذیه XTR-240-24 به قابلیت حفاظت در برابر برگشت جریان معکوس از سمت بار مجهز میشود.
این ویژگی از بازگشت انرژی یا جریان از بار به سمت منبع تغذیه جلوگیری میکند؛ حالتی که معمولاً در کاربردهایی با باتری، منابع تغذیه موازی، بارهای القایی یا سیستمهای دارای انرژی ذخیرهشده رخ میدهد.
با فعال بودن این قابلیت، از آسیب به مدار خروجی، اجزای قدرت و سایر منابع تغذیه متصل به سیستم جلوگیری شده و پایداری کلی سیستم در شرایط خاص تضمین میگردد.

حفاظت نیروی برگشت الکتروموتوری منبع تغذیه ریلی سه فاز XTR-240
محدودسازی جریان ثابت (Constant Current Limiting)
در شرایط اضافه بار یا اتصال کوتاه، منبع تغذیه وارد حالت محدودسازی جریان ثابت میشود.
در این حالت، جریان خروجی کنترل شده و از آسیب به بار و منبع تغذیه جلوگیری میشود، بدون آنکه دستگاه بلافاصله خاموش شود.
ورودی سهفاز واقعی با تحمل نوسانات شدید
XTR-240-24 دارای ورودی سهفاز گسترده 320 تا 600 ولت AC است و توان تحمل اضافه ولتاژ لحظهای 600 تا 700 ولت AC بهمدت 1 ثانیه را دارد.
این طراحی، عملکرد پایدار دستگاه را در شبکههای صنعتی با نوسانات شدید تضمین میکند.
طراحی بدون فن و خنکسازی طبیعی
طراحی Fanless با خنککاری توسط همرفت طبیعی هوا، موجب کاهش استهلاک مکانیکی، افزایش طول عمر و حذف نویز صوتی میشود و XTR-240-24 را برای محیطهای صنعتی سخت و پیوسته مناسب میسازد.
دانلود فایلهای مربوط به منبع تغذیه XTR-240-24
| سری XTR-240-24 | دانلود |
| مشخصات فنی XTR-240 | ![]() |
| گزارش فنی XTR-240-24
|
![]() |
| دفترچه راهنما | ![]() |
جدول کامل محصول سری های XTR-240
| خروجی مطلوب | لینک مشاهده |
| 12 ولت / 15 آمپر | XTR-240-12 |
| 24 ولت / 10 آمپر | XTR-240-24 |
| 36 ولت / 6.66 آمپر | XTR-240-36 |
| 48 ولت / 5 آمپر | XTR-240-48 |
برای آشنایی بیشتر با نسل جدید منابع تغذیه ریلی سه فاز مینول و بررسی مشخصات کامل خانواده XTR، میتوانید خبر معرفی این محصول را در وبسایت مینول ایران مطالعه کنید:
مشاهده خبر معرفی خانواده XTR در وبسایت مینول ایران









نقد و بررسیها
هنوز بررسیای ثبت نشده است.